Zimmers.NET Files (formerly ftp.funet.fi)

/pub/cbm/schematics/computers/plus4/


Subdirectories

drives@
Disk drives
firmware@
System firmware
manual/
Service Manual Model Plus 4 Computer Oct. 1984 PN-314001-04

Files

264_Hardware_Spec.pdf 2018-03-23 12555972
C= Specifications, timing and other tech info about 264 computers and ics.

264_Hardware_Spec_DocE.jpg 2018-02-17 4137284
C= Timing diagram for 264 computers.

264_Hardware_Spec_OCR.pdf 2021-11-19 7590762
Same as above, but with OCRed text, and lacking the cover images.

c116-251239-1.gif 1998-07-17 67341
Commodore 116 schematic 251239, sheet 1 of 3. Expansion port, cassette port,
audio/video connector, RF modulator, power supply, clock circuitry.
c116-251239-2.gif 1998-07-17 134432
Commodore 116 schematic 251239, sheet 2 of 3. TED, processor, joysticks,
keyboard, ROM, RAM.
c116-251239-3.gif 1998-07-17 51976
Commodore 116 schematic 251239, sheet 3 of 3. PLA and address decoding.

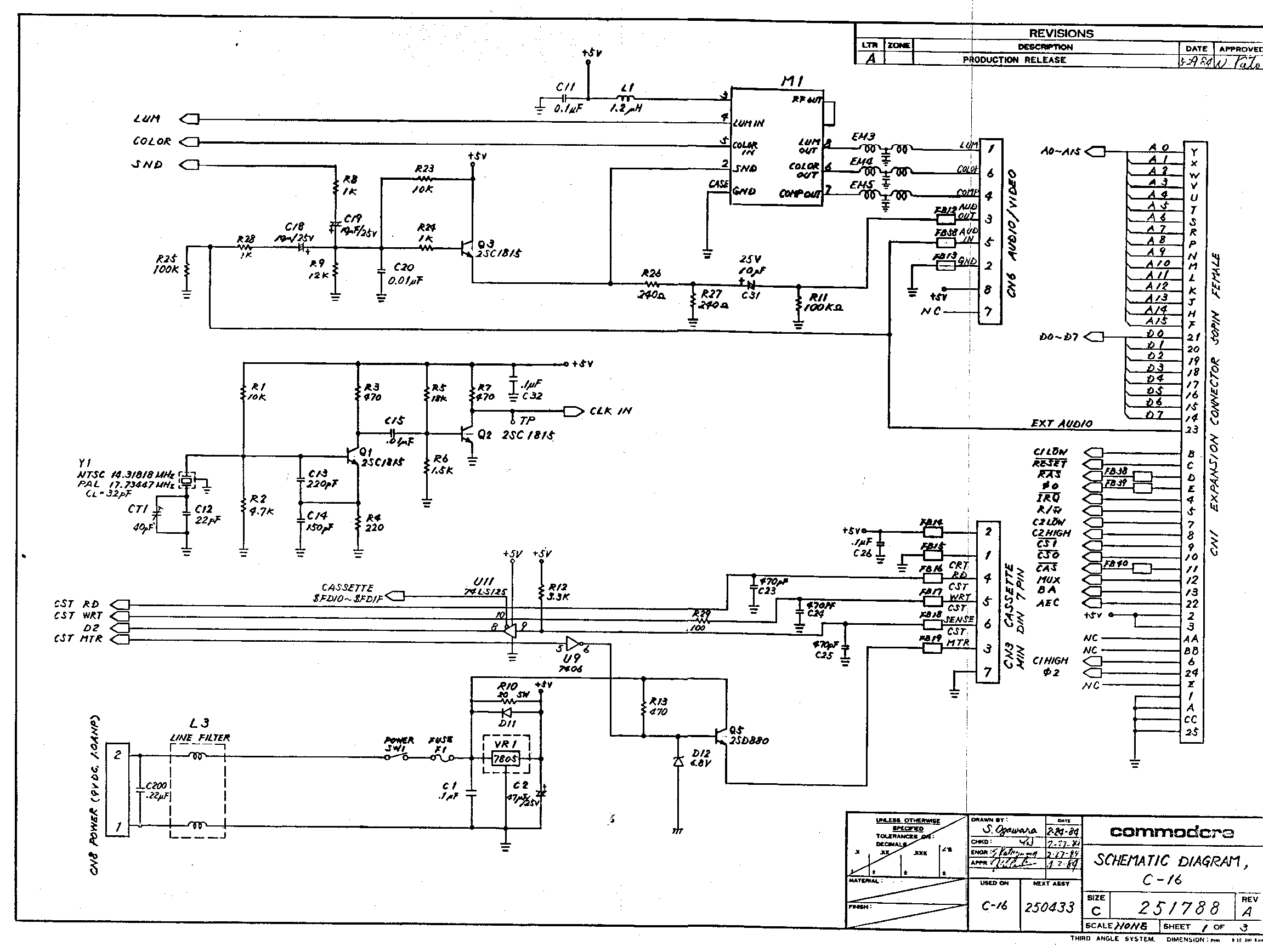
c16-251788-1of3-left-right-merged.png 2025-10-22 111075
Commodore 16 schematic 251788, sheet 1 of 3. Expansion port, cassette port,
audio/video connector, RF modulator, power supply, clock circuitry. Merged by
Roland Tobiasch
c16-251788-1of3-left.gif 2000-09-11 32778
c16-251788-1of3-right.gif 2000-09-11 48777
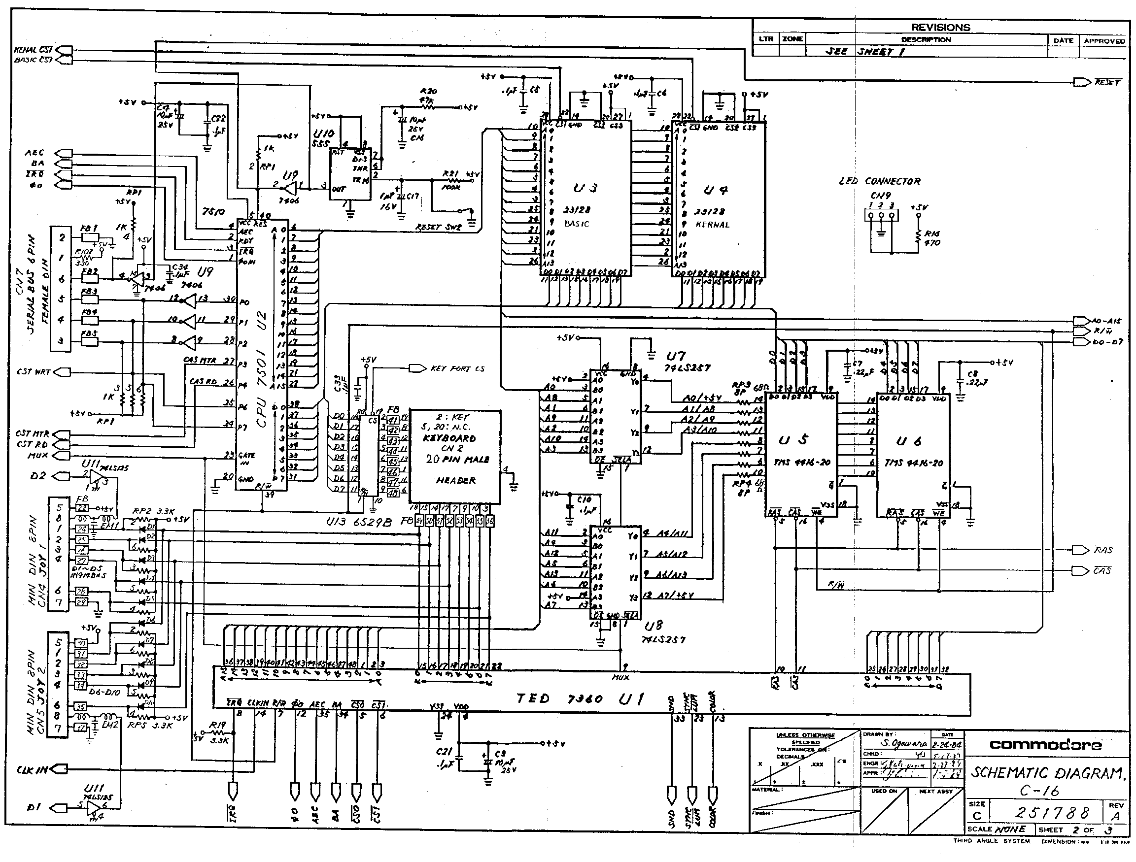
c16-251788-2of3-left-right-merged.png 2025-10-22 173736
Commodore 16 schematic 251788, sheet 2 of 3. TED, processor, joysticks,
keyboard, ROM, RAM. Merged by Roland Tobiasch
c16-251788-2of3-left.gif 2000-09-11 75039
c16-251788-2of3-right.gif 2000-09-11 58791
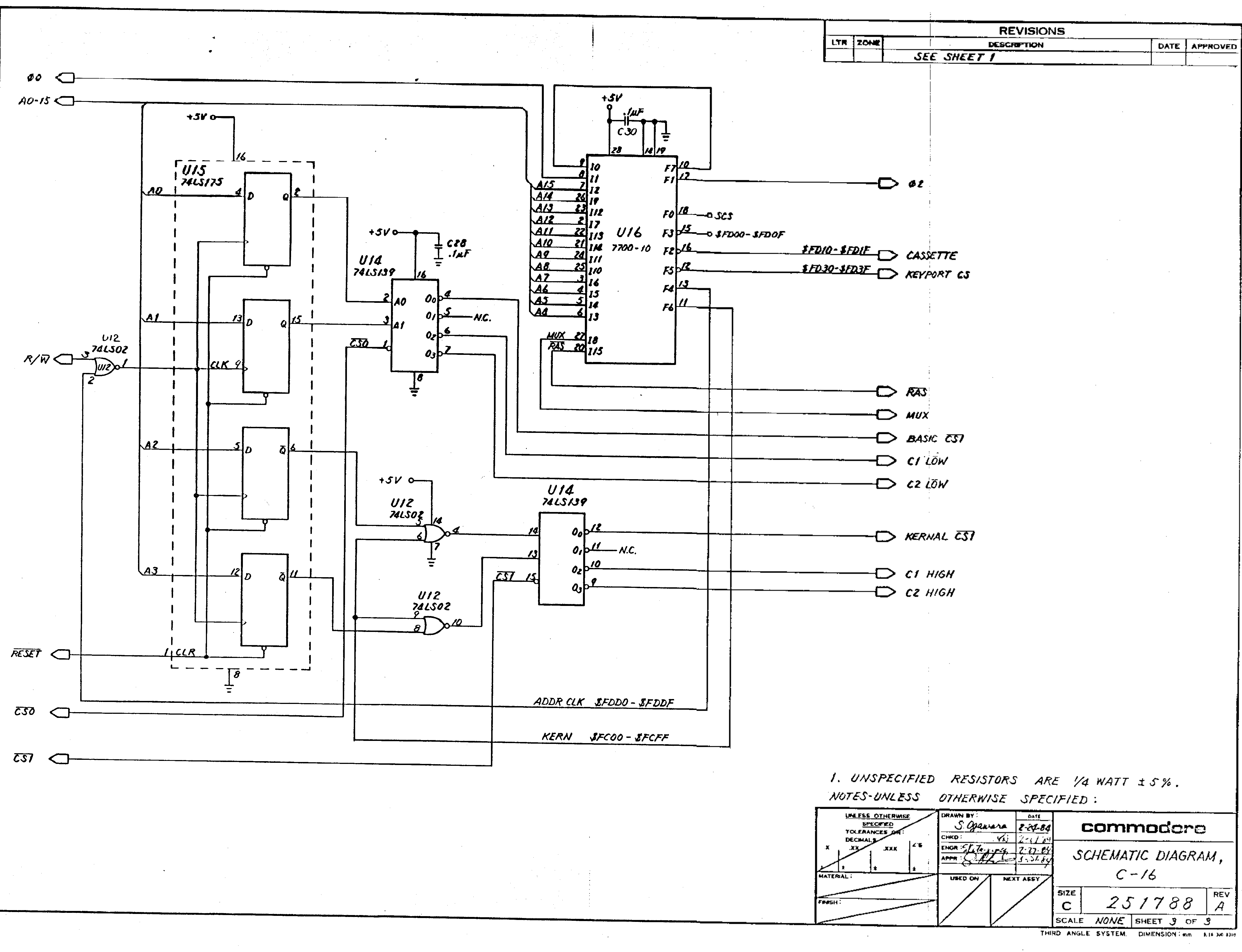
c16-251788-3of3-left-right-merged.png 2025-10-22 407293
Commodore 16 schematic 251788, sheet 3 of 3. PLA and address decoding.
Merged by Roland Tobiasch
c16-251788-3of3-left.gif 2000-09-11 96978
c16-251788-3of3-right.gif 2000-09-11 34138
c16-251788-title.gif 2000-09-11 14221
Commodore 16 schematic 251788, title page.

C16_Service_Manual_314001-03_(1984_Oct).pdf 2015-06-24 1909733


C16_Service_Manual_Preliminary_314001-03_(1984_Oct).pdf 2015-06-24 1518442


C16partial.png 2017-08-14 79234
Partial schematic

c64_plus_schematics.zip 2019-02-25 657130
Schematics for "C64 Plus" computer

connectors-1.jpg 1998-03-09 988551
Commodore plus/4 and C16 connectors. User port (plus/4 only) and
cartridge port. Scanned from a Hungarian magazine.
connectors-2.jpg 1998-03-09 414099
Commodore plus/4 and C16 connectors, second part.

p4-left.jpg 1998-03-09 1026475
Commodore plus/4 schematic sheet, left part. This is a very
high-resolution scan taken from a Hungarian magazine.
p4-right.jpg 1998-03-09 1080156
Commodore plus/4 schematic sheet, right part. This is a very
high-resolution scan taken from a Hungarian magazine.

parts.txt 2021-06-01 984
Parts list for Plus/4 and C16, by William Levak

plus4-310164-1of4.gif 2000-09-11 140589
plus4-310164-2of4.gif 2000-09-11 101641
plus4-310164-3of4.gif 2000-09-11 114569
plus4-310164-4of4.gif 2000-09-11 94951
Commodore plus/4 schematic 310164 from the German plus/4 user's guide.

plus4-troubleshooting-1of4.gif 2000-09-11 120480
plus4-troubleshooting-2of4.gif 2000-09-11 86124
plus4-troubleshooting-3of4.gif 2000-09-11 79888
plus4-troubleshooting-4of4.gif 2000-09-11 64774
Commodore Techtopics 1984 issue 6. Troubleshooting the plus/4.

Plus_4_Service_Manual_314001-04_(1984_Oct).pdf 2015-06-24 3947113


Plus_4_Service_Manual_Preliminary_314001-004_(1984_Oct).pdf 2015-06-24 1797637


Plus_4_Technical_Docs.pdf 2015-06-24 78570


powersupply.gif 1997-02-02 18287
Commodore plus/4 power supply

timing.gif 1997-02-02 11639
Commodore plus/4 timing (Phi 0 and Phi 2 signals in the single clock
and twice clock modes)

Mirror sitesGeneral informationFile typesData transfer